Projects
Solar prelim designs focus on site assessment, layout planning, and compliance checks before final execution. They include shading analysis, load calculations, and orientation studies to ensure efficiency. Clear documentation, safety standards, and scalable workflows make prelim designs vital for accurate permitting, streamlined approvals, and reliable solar project implementation.
Roof mount permit plan-sets detail structural, electrical, and safety aspects of solar installations. They include roof layout, equipment placement, wiring diagrams, and code compliance notes. Clear documentation ensures streamlined approvals, reduces inspection delays, and demonstrates adherence to local building standards, making them essential for efficient, reliable solar project execution.
Ground mount permit plan-sets provide detailed documentation for solar installations on open land. They include site layout, array spacing, foundation details, trenching paths, and electrical schematics. Structural notes, safety compliance, and environmental considerations are highlighted to meet local codes. These plan-sets streamline approvals, ensure durability, and support efficient project execution.
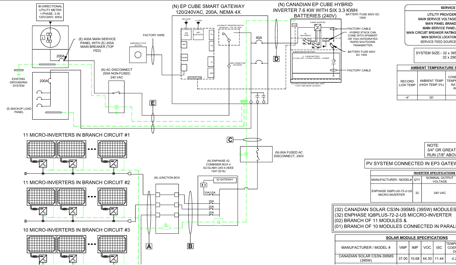
ESS (Energy Storage System) permit plan-sets provide detailed documentation for battery storage installations. They include equipment specifications, layout diagrams, wiring schematics, and safety notes. Critical elements cover fire safety compliance, ventilation, disconnects, and integration with solar or grid systems. Clear ESS plan-sets streamline approvals, ensure code adherence, and support reliable, secure energy storage deployment..
Off-grid plan-sets document solar systems designed to operate independently from the utility grid. They include array layouts, battery storage integration, inverter specifications, and load calculations. Safety notes, grounding details, and backup generator connections are outlined. Clear off-grid plan-sets ensure compliance, reliability, and sustainable energy autonomy for remote or self-sufficient projects
Carport-system plan-sets outline solar installations integrated with vehicle shelters. They include structural drawings for canopy supports, array layouts, electrical schematics, and safety notes. Key details cover wind and snow load compliance, conduit routing, and EV charging integration. Clear documentation ensures streamlined permitting, structural integrity, and efficient energy generation from carport-mounted solar systems.





